Eaton Stojan pro montáž nabíjecí stanice na podlahu, pro 1 nabíjecí stanici GMB nebo GMH
Popis a parametry
Eaton Stojan pro montáž nabíjecí stanice na podlahu, pro 1 nabíjecí stanici GMB nebo GMH
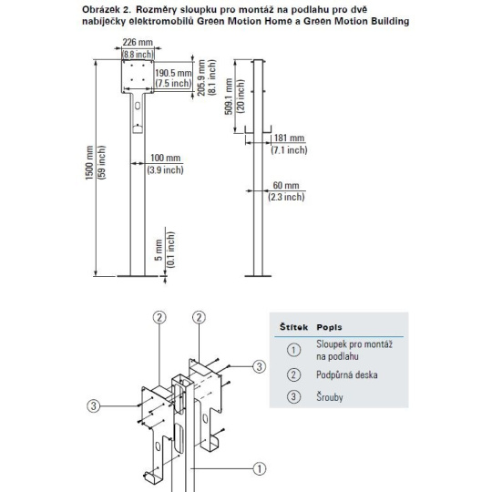
Sloupek pro montáž na podlahu pro jednu nabíječku
Rozměry (V × Š × H) v mm 1497,6 x 280 x 180,5
Hmotnost v kg 10
Způsob instalace Montáž na podlahu.
Instalační manuál na požádání.
.
ParametryPorovnání
Typ zařízení
Nabíječka
Eaton Stojan pro montáž nabíjecí stanice na podlahu, pro 1 nabíjecí stanici GMB nebo GMH
Naposledy navštívené








